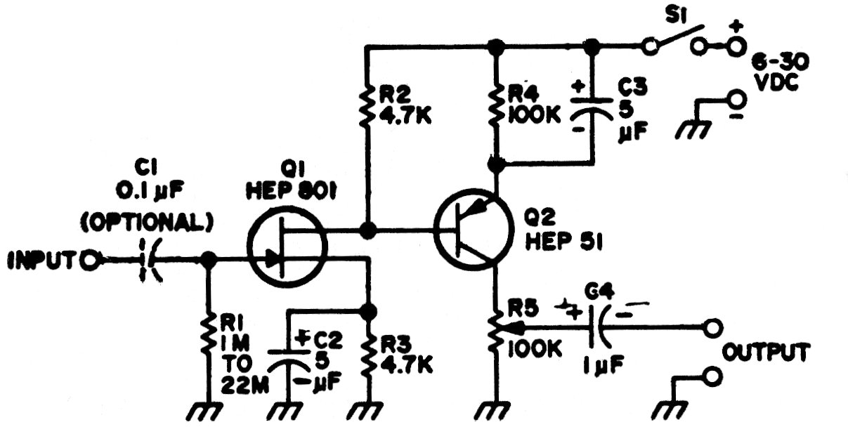
This step of two transistors has a high input impedance due to the use of FET. We can use BF245 for this function and the bipolar can be BC548. The circuit is from an 1975 American documentation.
In the original version of this 1987 circuit, the loads are lamps, but it can be adapted to drive a...
This transmitting circuit for an infrared intercom is from Texas Instruments. The operational...
This circuit emits a sound at regular intervals to prevent you from falling asleep, for example. It...