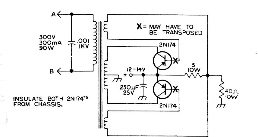
Indicated for automotive use in an American documentation of 1975, this circuit uses components of the time. The transformer is a critical component in determining the characteristics of the circuit.
Indicated for automotive use in an American documentation of 1975, this circuit uses components of the time. The transformer is a critical component in determining the characteristics of the circuit.