The output transistors can be BC548 and BC558. The circuit is from a 1975 documentation showing a frequency response from 90 Hz to 12.5 kHz.
This circuit triggers an alarm when the mains power is cut off. The circuit was found in the July...
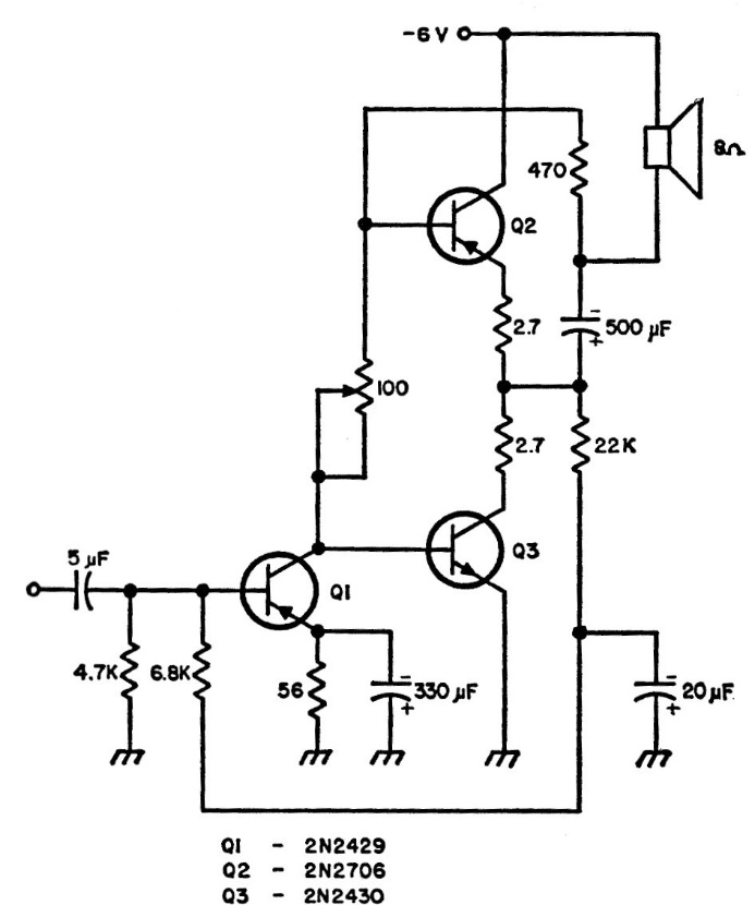
This acutely tuned circuit was found in American documentation from the 1960s. The transistors are germanium...
This small AM transmitter was found in American documentation from the 1980s. Transistor support...