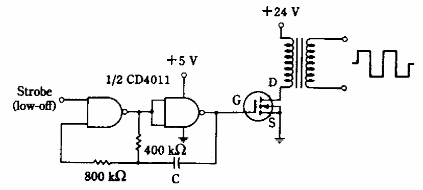
This power inverter or voltage inverter generates high voltage from 24V and 5V supplies. We found it in an old American documentation. Transformer and MOSFET are according to the desired power.
Found in American documentation from the 1970s, this circuit is intended for amplifying analog TV...
Photoelectric cells can be used as sensitive light sensors. However, the low voltage they generate...
This circuit was found in a 90s American documentation. The circuit uses still common components...