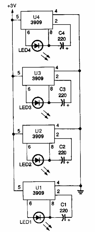
We found this circuit in a Popular Electronics from the 80s. The circuit is based on the LM3909, a low voltage component for driving LEDs.

We found this circuit in a Popular Electronics from the 80s. The circuit is based on the LM3909, a low voltage component for driving LEDs.
