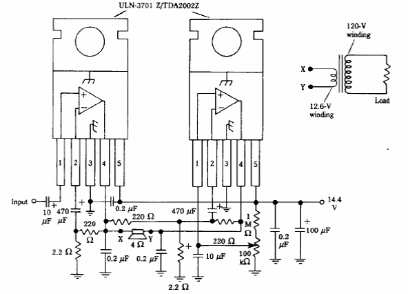
This bridge amplifier for the car was found in an American documentation from the 90's. It can be used as a power inverter. Integrated circuits must be equipped with appropriate heat sinks. Connecting a transformer to the output, 120 V AC can be obtained.




