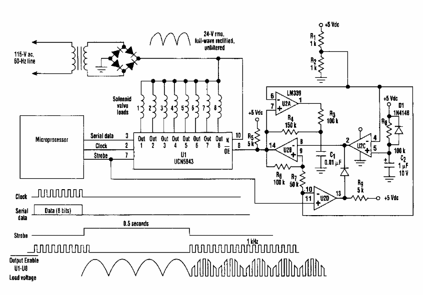
Found in an Electronic Design from the 80's, this circuit uses components from that time. He has outputs for activating 8 solenoids from a microcontroller.
Found in American documentation from the 1970s, this circuit is intended for amplifying analog TV...
Photoelectric cells can be used as sensitive light sensors. However, the low voltage they generate...
This circuit was found in a 90s American documentation. The circuit uses still common components...