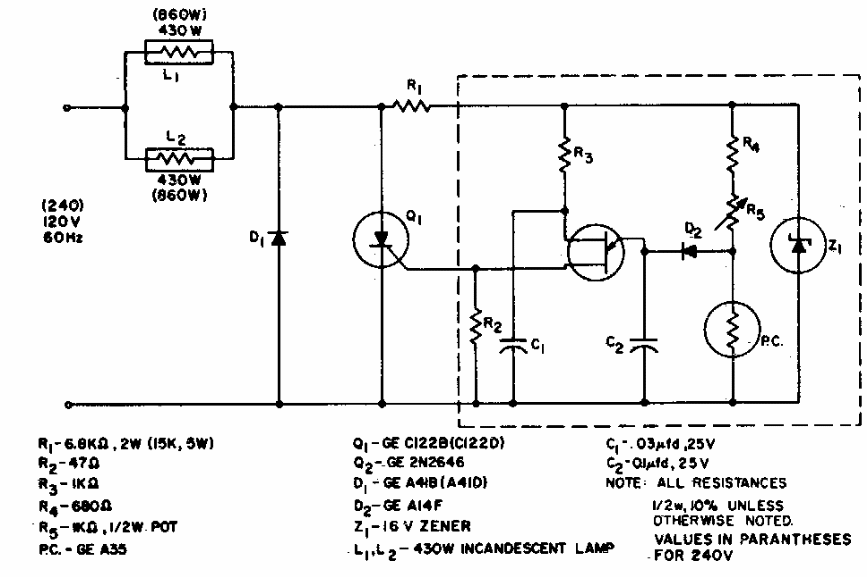
This circuit was found in an old factory documentation. The circuit uses single-junction transistor SCRs at the time. These components support modern equivalents.
This circuit was obtained in a 1986 documentation consisting of an active frequency divider for...
OSEPP makes available through Mouser Electronics a series of 100% Arduino compatible robotic kits. The...
We found this circuit in a 1977 National Semiconductor audio manual. The integrated circuit is the...