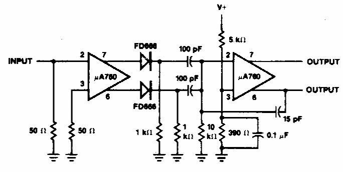
This type of circuit, found in American documentation from the 1980s, triggers producing output pulses when the input voltage goes through zero. The circuit can operate with frequencies from 300 Hz to 3 MHz and the maximum input voltage is 20 mV.
This type of circuit, found in American documentation from the 1980s, triggers producing output pulses when the input voltage goes through zero. The circuit can operate with frequencies from 300 Hz to 3 MHz and the maximum input voltage is 20 mV.