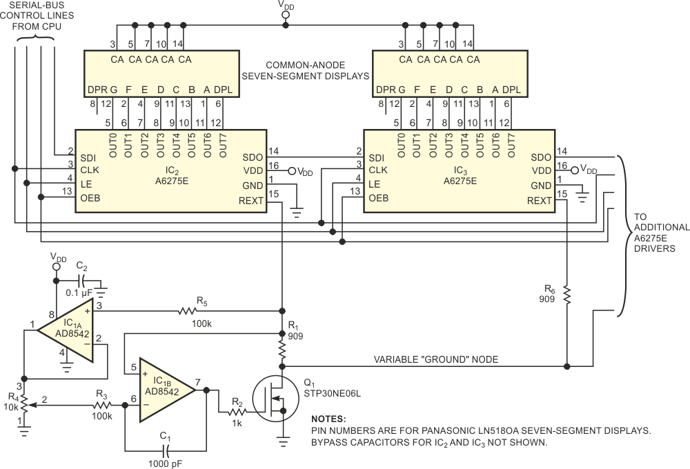
Based on Allegro's A6275, this circuit controls the brightness of various displays. The circuit is valid for common anode 7-segment displays.
Using the CMOS version of the 555, this circuit generates voltage-controlled signals in a range...
Found in the November 1984 issue of Radio Electronics magazine, this circuit generates frequencies that...
This circuit with transistors and a crystal microphone appeared in Radio Electronics magazine in...