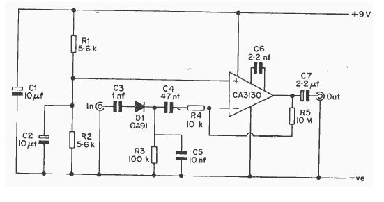
We found this circuit in an English publication from 1977. The circuit does not need a symmetrical power supply and employs a high impedance crystal or magnetic headphone.

We found this circuit in an English publication from 1977. The circuit does not need a symmetrical power supply and employs a high impedance crystal or magnetic headphone.
