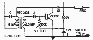
The CK722 transistor used in this circuit is one of the first commercial types in the world. The publication is from 1954 and the frequency given by C can have values between 10 and 100 nF.

The CK722 transistor used in this circuit is one of the first commercial types in the world. The publication is from 1954 and the frequency given by C can have values between 10 and 100 nF.
