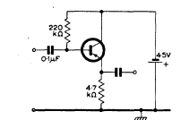
This is a typical common emitter stage circuit for general purpose transistor. Supply is 4.5V and collector current is 0.5mA. The circuit is from a 1960 Mullard manual.

This is a typical common emitter stage circuit for general purpose transistor. Supply is 4.5V and collector current is 0.5mA. The circuit is from a 1960 Mullard manual.
