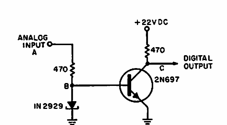
Found in a 1960s Electronic Design, this circuit provides a signal from the sensing of an analog voltage determined by the zener diode.
The proposed circuit generates signals in the range between 9 kHz and more than 44 kHz, which, it is...
This circuit uses currently uncommon components, including the 10.7 MHz (FI) filter. This circuit was...
This small power supply for low currents (5mA) is suitable for power low-power TTL experimental circuits....