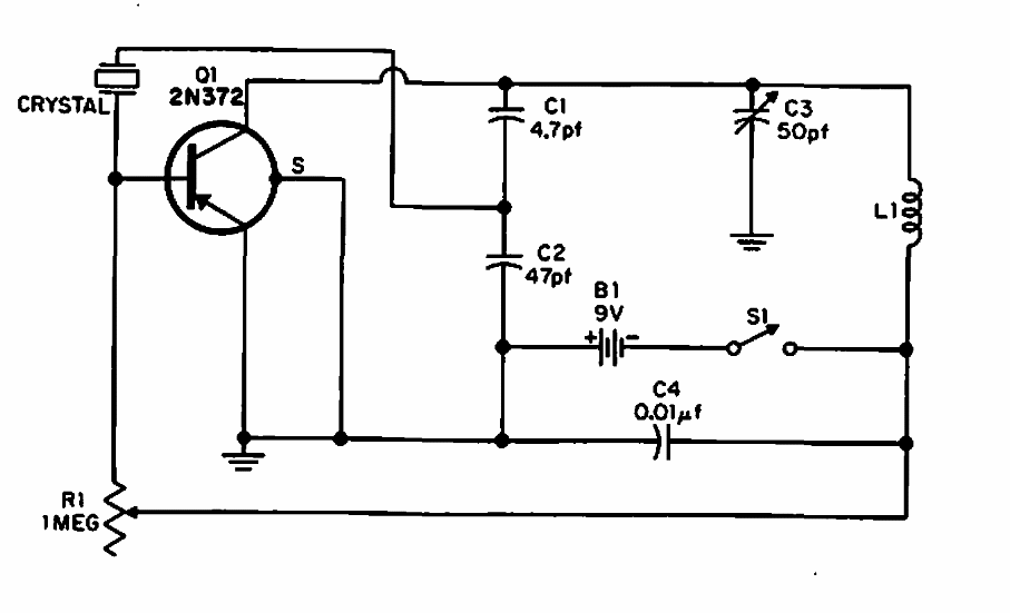
This small locator transmitter was found in old Radio Shack documentation. The transistor could be a BC548. The crystal determines the operating frequency, which can typically be between 5 and 20 MHz.
This small locator transmitter was found in old Radio Shack documentation. The transistor could be a BC548. The crystal determines the operating frequency, which can typically be between 5 and 20 MHz.