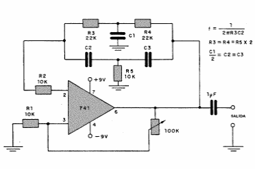
In the figure we have the typical configuration of a sinusoidal audio oscillator with twin-T. The frequency is given by the twin-T and can be calculated by the formulas next to the diagram.

In the figure we have the typical configuration of a sinusoidal audio oscillator with twin-T. The frequency is given by the twin-T and can be calculated by the formulas next to the diagram.
