Found in an older Radio Craft, this circuit covers the aerial band from 118 to 136 MHz. No information is given about the coils.
The proposed circuit generates signals in the range between 9 kHz and more than 44 kHz, which, it is...
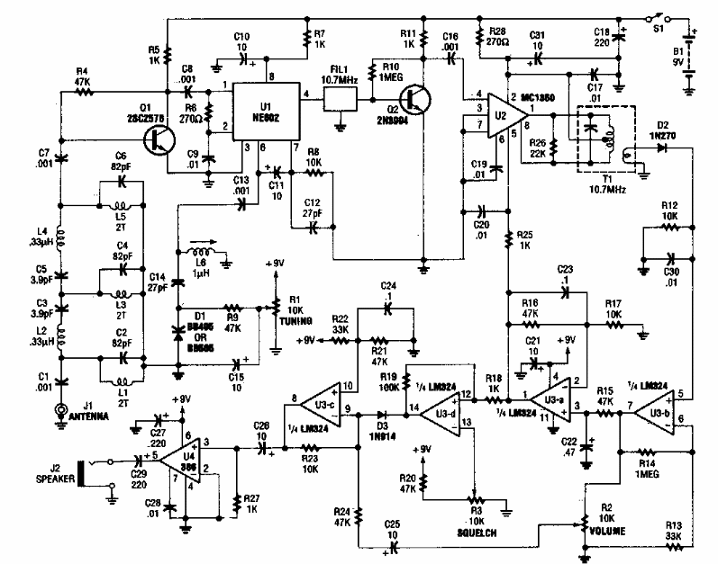
This circuit uses currently uncommon components, including the 10.7 MHz (FI) filter. This circuit was...
This small power supply for low currents (5mA) is suitable for power low-power TTL experimental circuits....