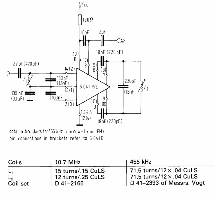
Found in the 1976 Siemens transistors manual, this circuit works with AM or FM IF signals. In the diagram information is given for the coils.
The circuits shown below consist of diode protections against accidental polarity reversal in the supply...
This FM transmitter was described in the Radio Electronics magazine of June 1963. It operates in...
The current can be kept constant in the load circuit using the integrated regulator LM350. The...