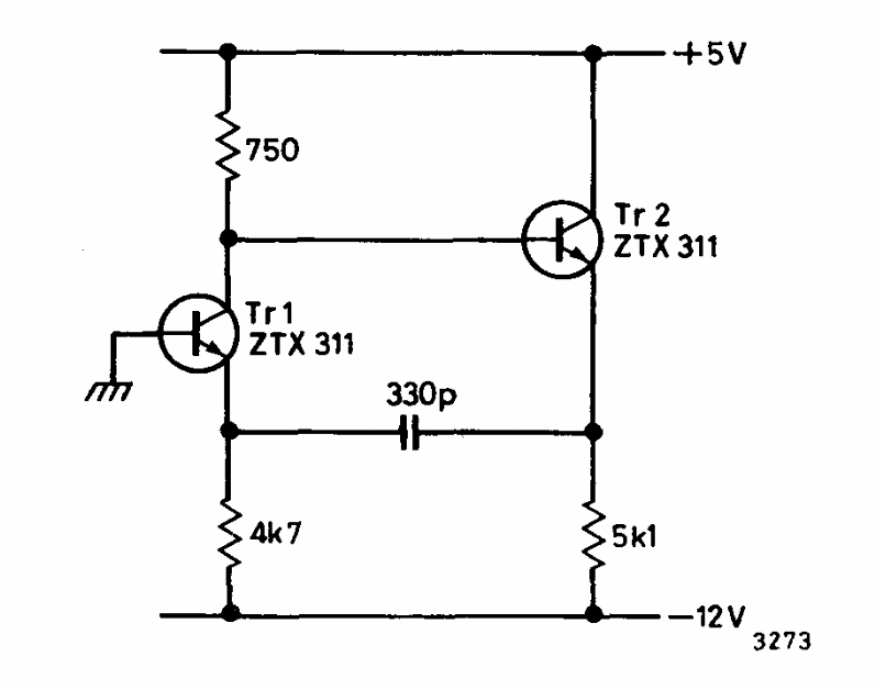
With the indicated components, this circuit oscillates at 1232 Hz. Consider the tolerance of the components. The circuit is from a 1974 Ferranti transistor manual.
This VHF transmitter was found in Radio Electronics magazine from June 1964. The transistor is an...
This two-transistor circuit is from a Radio Electronics magazine from April 1965. The transistors are...
This circuit was found in a 1967 documentation. The switch diode is a component of the time and is...