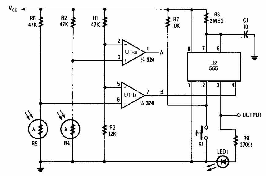
We found this circuit in an old Popular Electronics. The circuit is experimental, driving an LED from signals applied to the LDRs. The power supply does not have to be symmetrical.
This VHF transmitter was found in Radio Electronics magazine from June 1964. The transistor is an...
This two-transistor circuit is from a Radio Electronics magazine from April 1965. The transistors are...
This circuit was found in a 1967 documentation. The switch diode is a component of the time and is...