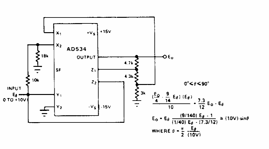
We found this circuit in an Analog Devices documentation from the 1990s. It provides an approximation for the sine ꬾ of an input voltage. It is used in analog computing.
We found this configuration in a Radio Electronics from 1989. The circuit can be designed with...
This interesting configuration was found in a 1965s Electronic Design. It makes use of components of...
This circuit is from old American documentation intended to trigger the flash of a camera flash with...