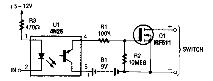
We found this circuit in a Popular Electronics from the 90s. The field effect transistor can be of any type.
In the figure we have the configuration of series regulator protector suggested by Motorola in 1968...
Found in a 90’s HAM Radio, this circuit is used for an optical communications system or even audio...
This RF monitor or field strength meter can use instruments from 100 uA to 1 mA full scale. The...