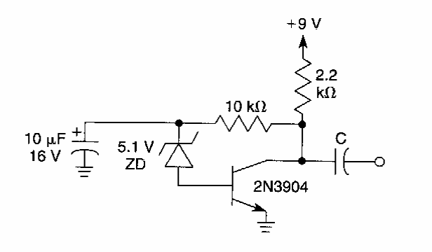
In the figure we have a circuit that employs a zener diode and a general-purpose transistor. Power can be between 9 and 12 V typically and other zeners can be used.

In the figure we have a circuit that employs a zener diode and a general-purpose transistor. Power can be between 9 and 12 V typically and other zeners can be used.
