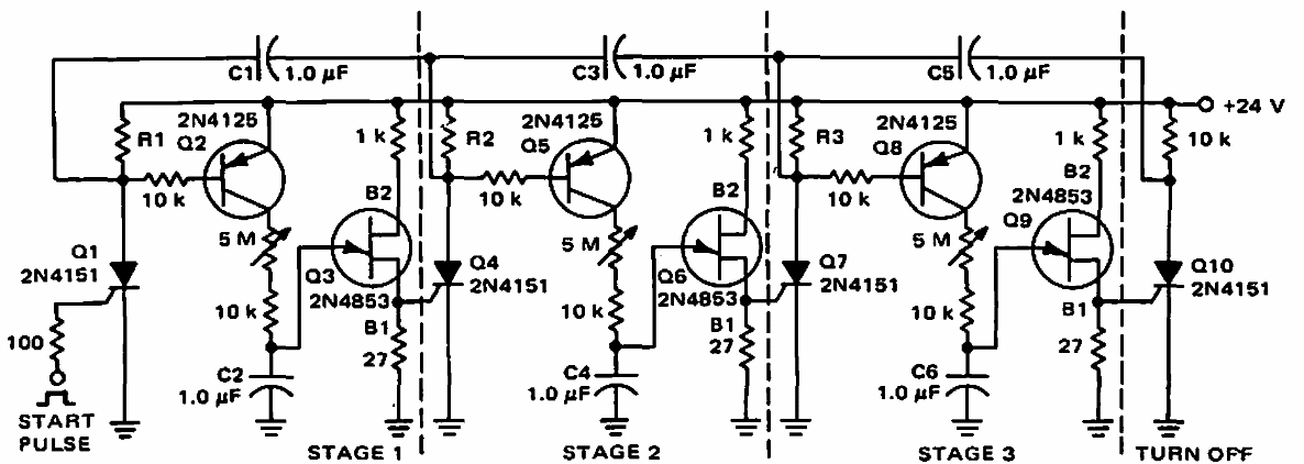
This circuit was found in Motorola documentation from 1968. Transistors can be modern equivalents, just like SCRs.
This power supply, found in an Argentine publication from the 1970s, uses a wire potentiometer of 25 W or more...
April 18, 2016 - Mouser Electronics, Inc., the global authorized distributor with the newest...
This simple blocking oscillator using a transistor can be used in alarms or call systems. The...