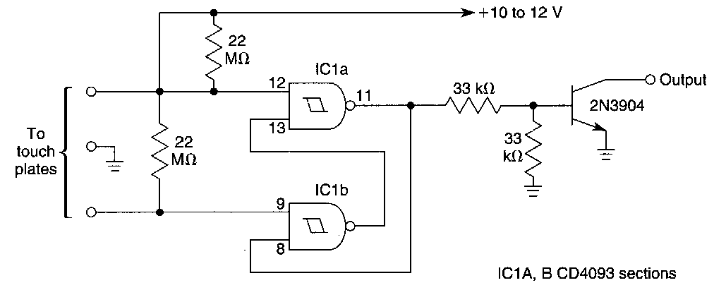
Found in American documentation, this switch is based on the 4093. The load will determine the supply voltage. The transistor is general purpose.
This power supply, found in an Argentine publication from the 1970s, uses a wire potentiometer of 25 W or more...
April 18, 2016 - Mouser Electronics, Inc., the global authorized distributor with the newest...
This simple blocking oscillator using a transistor can be used in alarms or call systems. The...