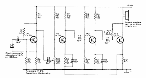
This 4-stage amplifier was found in a Mullard transistor manual from 1960. The circuit has a quiescent current of only 0.3 mA.

This 4-stage amplifier was found in a Mullard transistor manual from 1960. The circuit has a quiescent current of only 0.3 mA.
