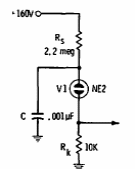
Found in an old documentation about neon lamps, this circuit has the frequency basically determined by the capacitor C. Note the high supply voltage.

Found in an old documentation about neon lamps, this circuit has the frequency basically determined by the capacitor C. Note the high supply voltage.
