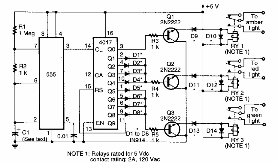
This sequential relay actuation system circuit for traffic lights was found in Electronics Now from the 1990s. Relays are sensitive types of low current coil.
This circuit is from a technical documentation from Texas Instruments from 1978. In it we have the...
We found this circuit in a publication with experiments with operational amplifiers from 1973. The...
Using a varactor or varicap, this 1969 Electronics World circuit has a modulation range from 75...