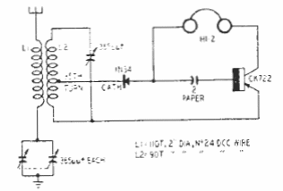
Found in a Raytheon circuit manual from the 1960s, this circuit uses the CK722 and a high-impedance headphone getting power from the captured signal itself. The second variable selects the station with the highest signal to obtain the feed.

Found in a Raytheon circuit manual from the 1960s, this circuit uses the CK722 and a high-impedance headphone getting power from the captured signal itself. The second variable selects the station with the highest signal to obtain the feed.
