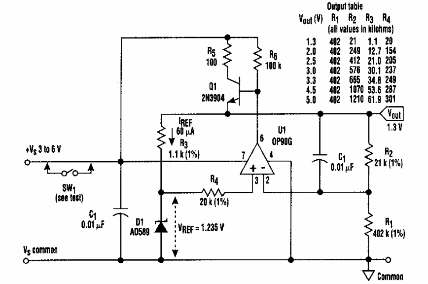
Found in an Electronic Design from the 90's, this circuit supplies voltages according to the indicated component values. The integrated circuit is from the time.
This circuit found in a 1988 documentation consists of a timer or sequential timer controller. The...
The LM11 is a precision operational amplifier from National Semiconductor. The circuit was found in...
This circuit is intended for the use as modulated light signals from digital sources. The circuit...