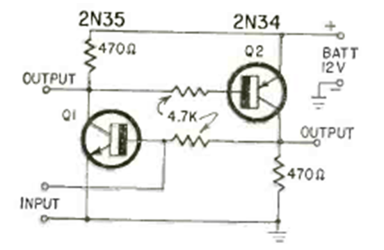
This oscillator circuit with two transistors is from a 1965 documentation. The circuit is of the bistable type operating with an external synchronization signal.

This oscillator circuit with two transistors is from a 1965 documentation. The circuit is of the bistable type operating with an external synchronization signal.
