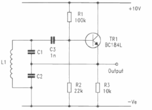
The difference between this oscillator in relation to the previous one is the use of emitter coupling. The circuit supports transistors for general use and even RF, depending on the desired frequency.

The difference between this oscillator in relation to the previous one is the use of emitter coupling. The circuit supports transistors for general use and even RF, depending on the desired frequency.
