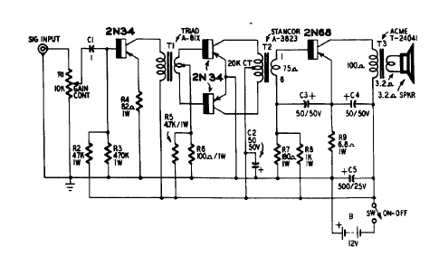
This circuit is from an American publication from the 60's. The power is on the order of 600 mW. The coupling between the steps is done by a transformer.

This circuit is from an American publication from the 60's. The power is on the order of 600 mW. The coupling between the steps is done by a transformer.
