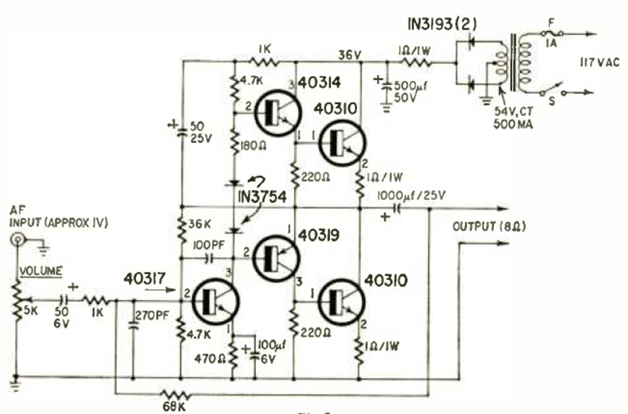
This transistor amplifier was published in Radio Electronics magazine in July 1965. It used newly released silicon transistors with excellent sound quality.
This circuit is from a 2005 Linear Technology manual. The circuit is powered by 3.3 V but can...
This basic voltage comparator circuit has a reference voltage given by a zener diode. The input...
Raytheon's used integrated circuit is uncommon today. However, the configuration is an example and can be...