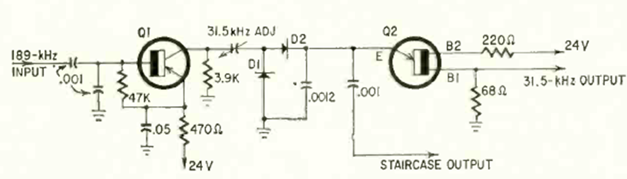
We found this ladder-shaped signal generator circuit in Radio Electronics magazine from August 1966. The circuit uses a unijunction transistor as its base.
The integrated circuit used in this circuit is not common today, because it is a configuration obtained in...
This Siliconix circuit was found in a 1980s documentation. The coil consists of 18 turns of 22...
In the figure we show how to implement an audio oscillator with the 741 integrated circuit by...