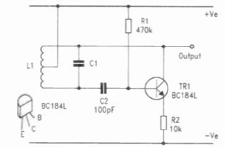
Found in documentation from the 90s, this oscillator works with any general-purpose transistor. L1 and C1 determine the operating frequency which can reach tens of megahertz.

Found in documentation from the 90s, this oscillator works with any general-purpose transistor. L1 and C1 determine the operating frequency which can reach tens of megahertz.
