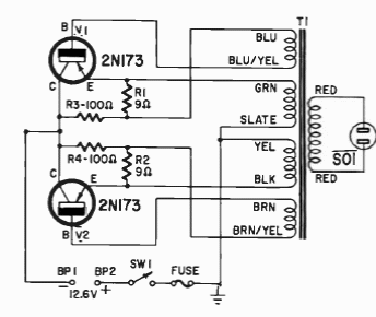
We found this circuit in a publication from 1966. The components are from the period. Complete information about the transformer was not given.

We found this circuit in a publication from 1966. The components are from the period. Complete information about the transformer was not given.
