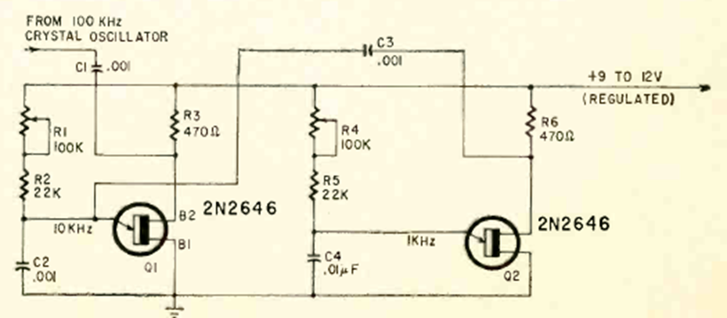
This unijunction transistor circuit is a frequency divider synchronized to 100 kHz. The circuit was found in a Radio Electronics from July 1968. The adjustment of R4 is important.
This circuit is from the 1983 Intersil Databook. The circuit has an A / D converter for display of 4 and...
We found this circuit in Linear Technology Applications of 1997. The circuit uses common...
Found in a 90's EDN, this circuit generates signals in the frequency range given by the graph. The...