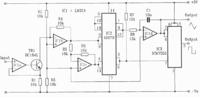
This circuit has a duty cycle of 50%. We found it in old English documentation. The center frequency is around 1 kHz.
This circuit is from the 1983 Intersil Databook. The circuit has an A / D converter for display of 4 and...
We found this circuit in Linear Technology Applications of 1997. The circuit uses common...
Found in a 90's EDN, this circuit generates signals in the frequency range given by the graph. The...