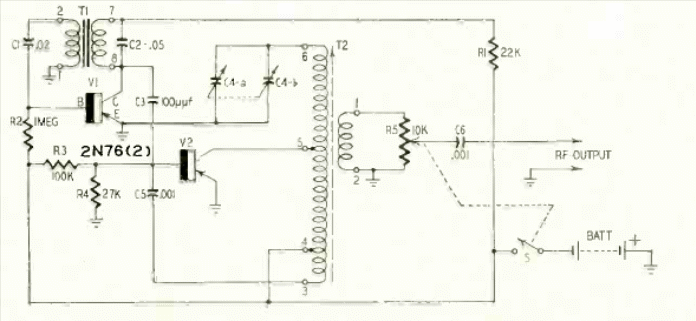
This simple signal generator with transistors was published in Radio Electronics magazine in November 1957. The circuit generates signals determined by the coil and modulation by the transformer.
This circuit is from the 1983 Intersil Databook. The circuit has an A / D converter for display of 4 and...
We found this circuit in Linear Technology Applications of 1997. The circuit uses common...
Found in a 90's EDN, this circuit generates signals in the frequency range given by the graph. The...