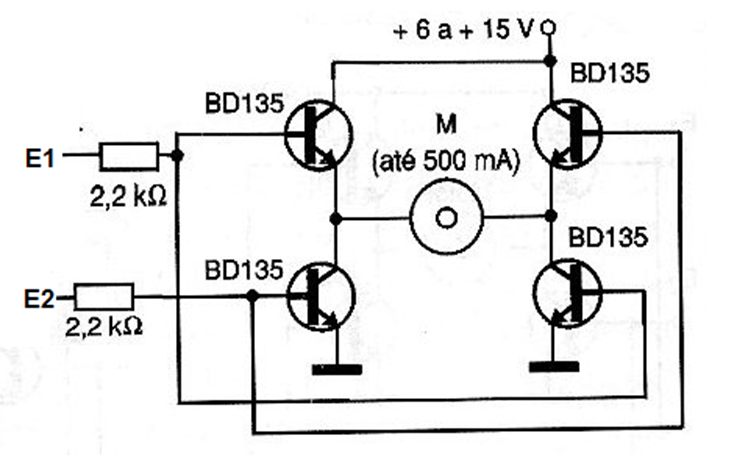
The direction of rotation of the M motor can be controlled by an Arduino or another microcontroller through this H bridge. Levels 00 keep the motor stopped while 01 and 10 determine the rotation in the two possible directions. Output 11 is prohibited because it causes the transistors to conduct at the same time, causing the circuit to short circuit. The outputs can be modulated to obtain PWM speed control in the desired direction.




