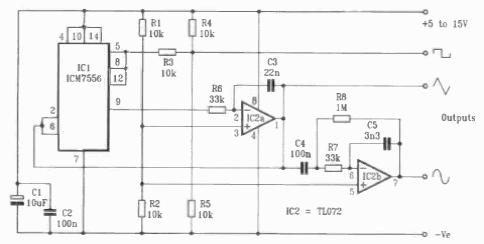
We found this circuit in an old publication. The ICM7556 is a dual CMOS 555. The other components are common. The frequency range depends on the capacitors.

We found this circuit in an old publication. The ICM7556 is a dual CMOS 555. The other components are common. The frequency range depends on the capacitors.
