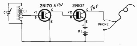
Found in a 1966 documentation, this mid-wave receiver makes use of period germanium transistors. The phone is a high impedance type, and the coil is a commercial type of the time.

Found in a 1966 documentation, this mid-wave receiver makes use of period germanium transistors. The phone is a high impedance type, and the coil is a commercial type of the time.
