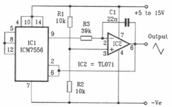
The oscillator circuit is an ICM7556, the dual CMOS version of the 555. The frequency depends on the capacitor and for this circuit with 22 nF it is around 1 kHz.

The oscillator circuit is an ICM7556, the dual CMOS version of the 555. The frequency depends on the capacitor and for this circuit with 22 nF it is around 1 kHz.
