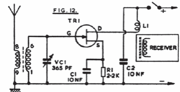
This booster for bands up to 30 MHz, depending on the coil, works by approximation. It is suitable for portable receivers. The transistor can be the BF245 or MPF102.

This booster for bands up to 30 MHz, depending on the coil, works by approximation. It is suitable for portable receivers. The transistor can be the BF245 or MPF102.
