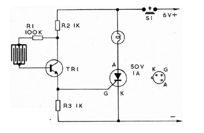
This sensitive circuit was found in old documentation. The SCR can be any of the 106 series and the transistor a BC548.
This power supply, found in an Argentine publication from the 1970s, uses a wire potentiometer of 25 W or more...
We found this circuit in a publication from 1966. The components are from the period. Complete...
Found in an 80's documentation this circuit uses an integrated from the uncommon era today. Other...