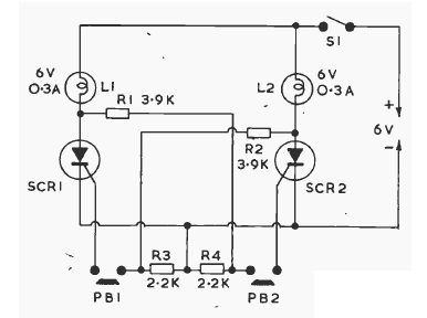
Using common SCRs like the TIC106, this circuit is loaded with incandescent bulbs, but can be changed to use LEDs or beeper circuits.

Using common SCRs like the TIC106, this circuit is loaded with incandescent bulbs, but can be changed to use LEDs or beeper circuits.
