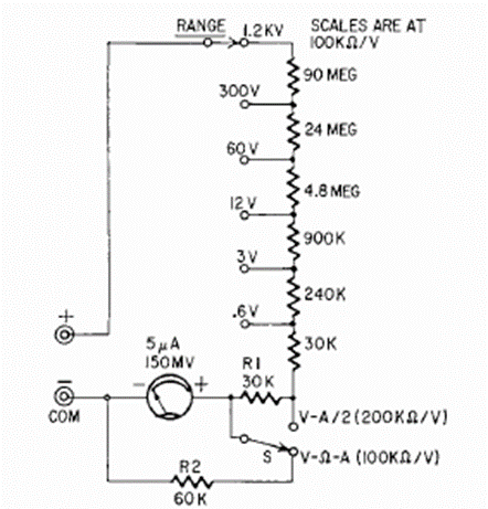
This is the circuit of a sensitive voltmeter using a difficult-to-obtain 5 uA full-scale instrument. The circuit is from a Radio Electronics from November 1963.

This is the circuit of a sensitive voltmeter using a difficult-to-obtain 5 uA full-scale instrument. The circuit is from a Radio Electronics from November 1963.
