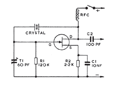
This circuit can oscillate at frequencies up to a few tens of megahertz depending on the crystal. The transistor can be any general purpose JFET.

This circuit can oscillate at frequencies up to a few tens of megahertz depending on the crystal. The transistor can be any general purpose JFET.
