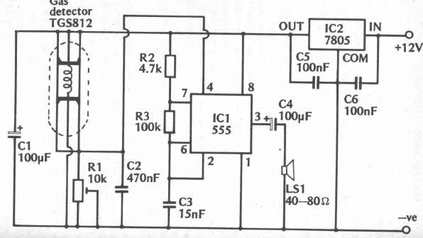
This 1989 circuit uses a gas sensor from the era, which is hard to find these days. The circuit triggers an oscillator that has a medium impedance speaker as its load.

This 1989 circuit uses a gas sensor from the era, which is hard to find these days. The circuit triggers an oscillator that has a medium impedance speaker as its load.
